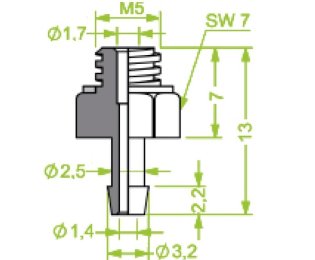
Racord ventuza cu filet metric exterior M5