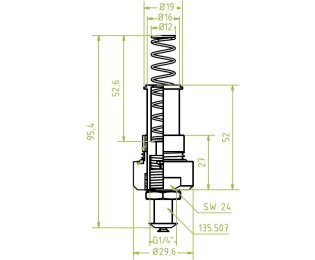
Suport ventuza vacuum cu arc