- Produs original Pfaff Silberblau - Quality Made in Germany!
- O combinatie practica dintr-un transpalet si o masa de ridicare pentru sarcini paletate
- Pompa hidroelectrica cu baterie
- Portanta 1.000 kg
- Inaltimea maxima a furcii H = 800 mm
- Viteza de ridicare rapida si normala
- Ventil pentru o de coborare lina
- Siguranta pentru suprasarcina
- Picioare de sprijin suplimentare pentru stabilitate la sarcini inpozitia ridicate
- Constructie foarte robusta
- Roti din PUR (Poliuretan)
- Tensiune baterie, capacitate nominala K5: 12/52 V/Ah
- Incarcator baterie: 220/6 V/A
- Livrarea contine bateria si aparatul de incarcat (integrat)

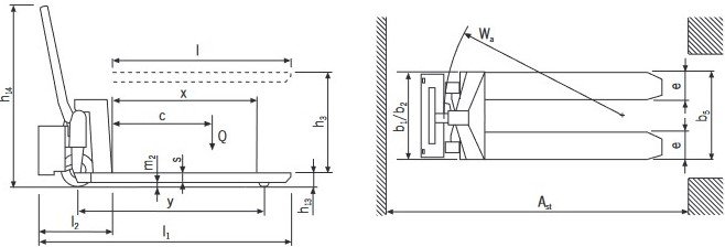
Model
Portanta WLL
Centru greutate sarcina C
Inaltime h14
Latime totala b1/b2
Cursa h3
Material roti
Greutate G
[kg]
[mm]
[mm]
[mm]
[mm]
[kg]
Cod produs
Model
:
HU ES 10 B
Portanta WLL
[kg]
:
1000
Centru greutate sarcina C
[mm]
:
600
Inaltime h14
[mm]
:
1254
Latime totala b1/b2
[mm]
:
575
Cursa h3
[mm]
:
715
Material roti
:
PUR
Greutate G
[kg]
:
152
N26900020