- Produs original Pfaff-Siberblau - Quality Made in Germany!
- Sarcina 650 kg si 900 kg
- Constructie robusta din otel inoxidabil V2A
- Greutate redusa
- Frana integrata asigura siguranta sarcinii in orice pozitie
- Toate componentele sunt din INOX
- Tamburul este tratat suplimentar cu KTL
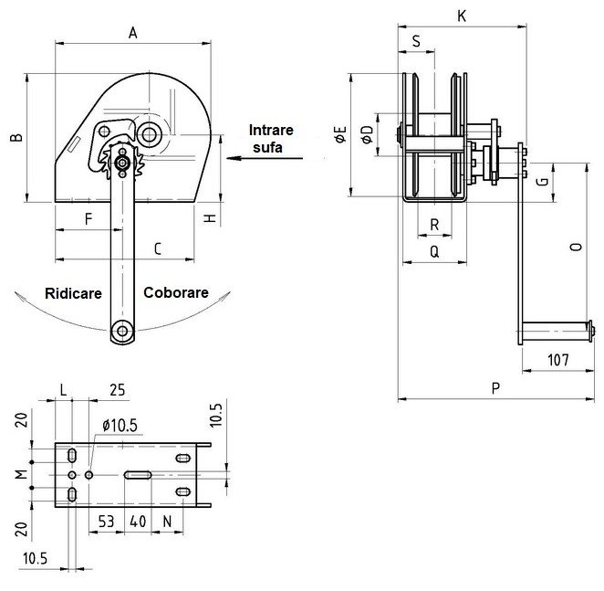
- Prindere simpla si rapida pe consola
- Cablu recomandat conform DN 3060 FE-znk1770 sZ-spa
- Cablul nu este inclus in livrare!

Model troliu
Portanta sarcina
Diametru cablu
Lungime cablu primul strat
Lungime cablu straturi superioare
Cursa cablu pro rotire tambur
[kg]
[mm]
[m]
[m]
[mm]
Cod produs
Model troliu
:
LB 650 VA
Portanta sarcina
[kg]
:
650
Diametru cablu
[mm]
:
6
Lungime cablu primul strat
[m]
:
1
Lungime cablu straturi superioare
[m]
:
20
Cursa cablu pro rotire tambur
[mm]
:
55
40239012
Model troliu
:
LB 900 VA
Portanta sarcina
[kg]
:
900
Diametru cablu
[mm]
:
7
Lungime cablu primul strat
[m]
:
1
Lungime cablu straturi superioare
[m]
:
26
Cursa cablu pro rotire tambur
[mm]
:
45
30239013