- Produs original Pfaff Siberblau - Quality Made in Germany!
- Sarcina utila 1000 kg
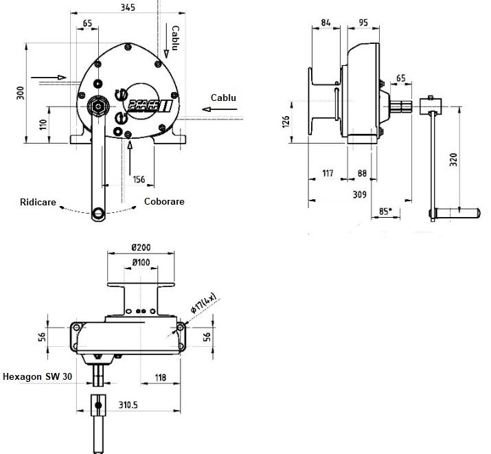
- Troliu manual cu prindere pe consola
- Troliu conform DGUV V54 (BGV D8)
- Angrenare manuala, exterioara
- Carcasa e capsulata si angrenajul functioneaza in baie de ulei
- Carcasa vopsita cu o vopsea de inalta calitate rezistenta la coroziune
- Posibilitate de folosire a cablului în toate direcțiile
- Maneta manuala demontabila
- Cablu recomandat ∅8 mm conform DIN 3069 SE cu F=1960 N/mm²
- Cablul nu este inclus in livrare!

Model troliu
Diametru cablu
Lungime cablu strat 1
Lungime cablu strat 4
Cursa cablu pro rotire strat 1
Cursa cablu pro rotire strat 4
Forta maxima rotire sarcina
Turatie maxima angrenare
[mm]
[m]
[m]
[mm]
[mm]
[daN]
[1/min]
Cod produs
Model troliu
:
OMEGA BGV/ D8
Diametru cablu
[mm]
:
8
Lungime cablu strat 1
[m]
:
1.6
Lungime cablu strat 4
[m]
:
13.1
Cursa cablu pro rotire strat 1
[mm]
:
29
Cursa cablu pro rotire strat 4
[mm]
:
42
Forta maxima rotire sarcina
[daN]
:
17
Turatie maxima angrenare
[1/min]
:
100
192010587