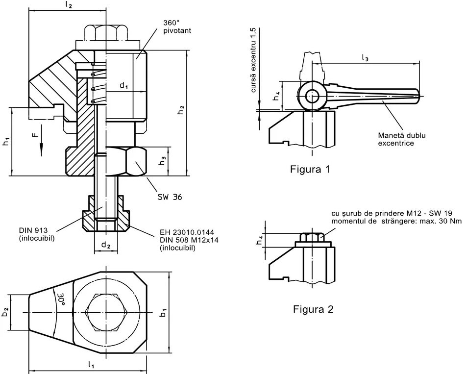
d2
h1
Cursă
Forta
Figura
[mm]
[mm]
[kN]
Cod produs
d2
[]
:
M12
h1
[mm]
:
25 - 30 mm
Cursă
[mm]
:
5 mm
Forta
[kN]
:
10 kN
Figura
[]
:
1
23310.0034
d2
[]
:
M12
h1
[mm]
:
25 - 30 mm
Cursă
[mm]
:
5 mm
Forta
[kN]
:
10 kN
Figura
[]
:
2
23310.0035
