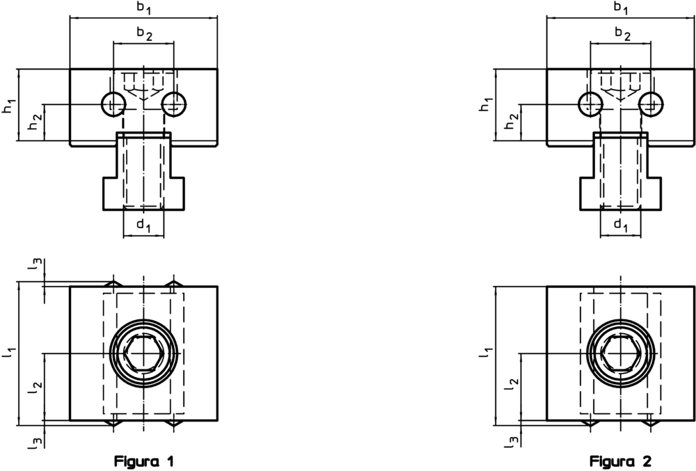
b1 [-0.05]
b2
d1
h1
h2
l1
l2 [±0.01]
l3
Greutate
[mm]
[mm]
[mm]
[mm]
[mm]
[mm]
[mm]
[g]
Cod produs
b1 [-0.05]
[mm]
:
44 mm
b2
[mm]
:
18 mm
d1
:
M12
h1
[mm]
:
21,4 mm
h2
[mm]
:
11 mm
l1
[mm]
:
41 mm
l2 [±0.01]
[mm]
:
20 mm
l3
[mm]
:
1 mm
Greutate
[g]
:
395 g
1586.021
b1 [-0.05]
[mm]
:
44 mm
b2
[mm]
:
18 mm
d1
:
M12
h1
[mm]
:
21,4 mm
h2
[mm]
:
11 mm
l1
[mm]
:
42 mm
l2 [±0.01]
[mm]
:
20 mm
l3
[mm]
:
1 mm
Greutate
[g]
:
406 g
1586.020