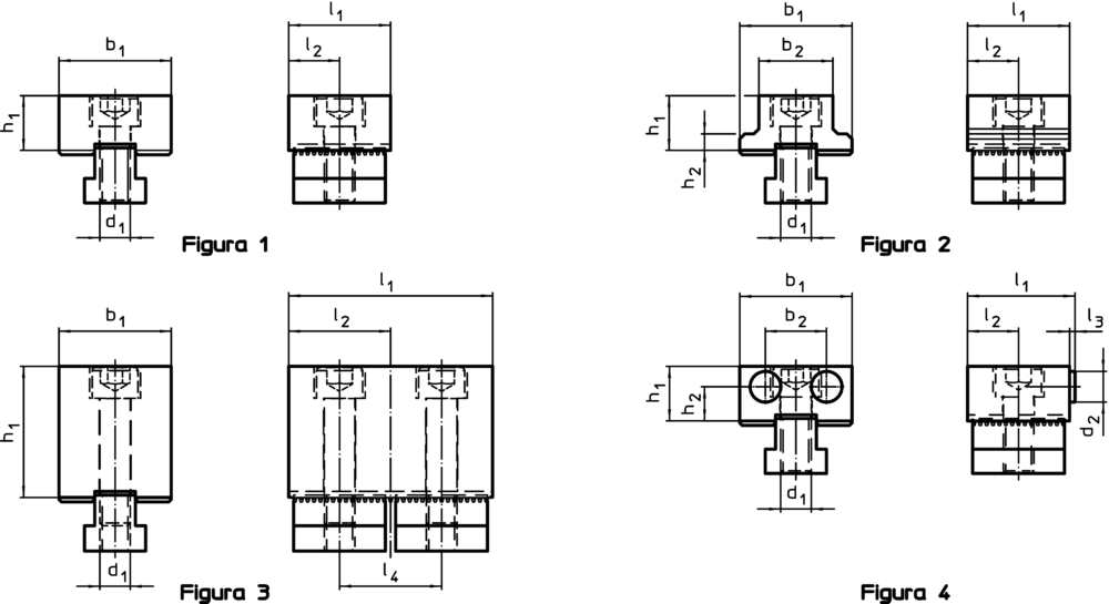
d1
h1
l1
l2 [±0.01]
Greutate
b2
h2
b1 [-0.1]
l4
d
d2
l3
[mm]
[mm]
[mm]
[g]
[mm]
[mm]
[mm]
[mm]
[mm]
[mm]
[mm]
Cod produs
d1
:
M12
h1
[mm]
:
21,4 mm
l1
[mm]
:
42 mm
l2 [±0.01]
[mm]
:
20 mm
Greutate
[g]
:
407 g
b2
[mm]
:
24 mm
h2
[mm]
:
13,4 mm
b1 [-0.1]
[mm]
:
-
l4
[mm]
:
-
d
[mm]
:
12 mm
d2
[mm]
:
12 mm
l3
[mm]
:
2 mm
1586.073
d1
:
M12
h1
[mm]
:
51,4 mm
l1
[mm]
:
80 mm
l2 [±0.01]
[mm]
:
-
Greutate
[g]
:
1601 g
b2
[mm]
:
-
h2
[mm]
:
-
b1 [-0.1]
[mm]
:
44 mm
l4
[mm]
:
40 mm
d
[mm]
:
-
d2
[mm]
:
-
l3
[mm]
:
-
1586.072
d1
:
M12
h1
[mm]
:
21,4 mm
l1
[mm]
:
40 mm
l2 [±0.01]
[mm]
:
20 mm
Greutate
[g]
:
324 g
b2
[mm]
:
29 mm
h2
[mm]
:
6,4 mm
b1 [-0.1]
[mm]
:
-
l4
[mm]
:
-
d
[mm]
:
-
d2
[mm]
:
-
l3
[mm]
:
-
1586.071
d1
:
M12
h1
[mm]
:
21,4 mm
l1
[mm]
:
40 mm
l2 [±0.01]
[mm]
:
20 mm
Greutate
[g]
:
395 g
b2
[mm]
:
-
h2
[mm]
:
-
b1 [-0.1]
[mm]
:
-
l4
[mm]
:
-
d
[mm]
:
-
d2
[mm]
:
-
l3
[mm]
:
-
1586.070