Opritoare laterale | EH 1586.

Material

  • oțel

Asamblare

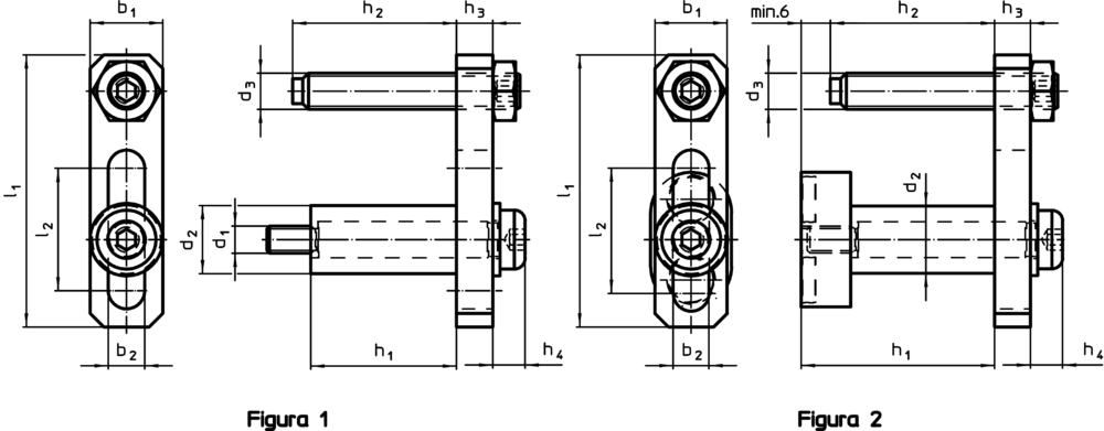
Opritorul poate fi montat pe ambele părți ale barei.

Modelul magnetic - figura 2:

Opritorul poate fi îndepărtat rapid și ușor înainte de prelucrarea piesei, datorită montării fără scule.

Pe pagina:  
Afisaj:  
b1
b2
d1
d2
d3
h1
h2
h2
h2 de
h3
h4
l1
l2
Greutate
[mm]
[mm]
[mm]
[mm]
[mm]
[mm]
[mm]
[mm]
[mm]
[mm]
[mm]
[g]

Cod produs

 
b1 [mm] :
16 mm
b2 [mm] :
8 mm
d1 :
-
d2 [mm] :
15 mm
d3 :
M8
h1 [mm] :
43 mm
h2 [mm] :
-
h2 [mm] :
37 mm
h2 de [mm] :
0 mm
h3 [mm] :
8 mm
h4 [mm] :
7 mm
l1 [mm] :
60 mm
l2 [mm] :
27 mm
Greutate [g] :
151 g
buc.
b1 [mm] :
16 mm
b2 [mm] :
8 mm
d1 :
M6
d2 [mm] :
15 mm
d3 :
M8
h1 [mm] :
32 mm
h2 [mm] :
37 mm
h2 [mm] :
37 mm
h2 de [mm] :
0 mm
h3 [mm] :
8 mm
h4 [mm] :
~ 7 mm
l1 [mm] :
60 mm
l2 [mm] :
27 mm
Greutate [g] :
110 g
buc.