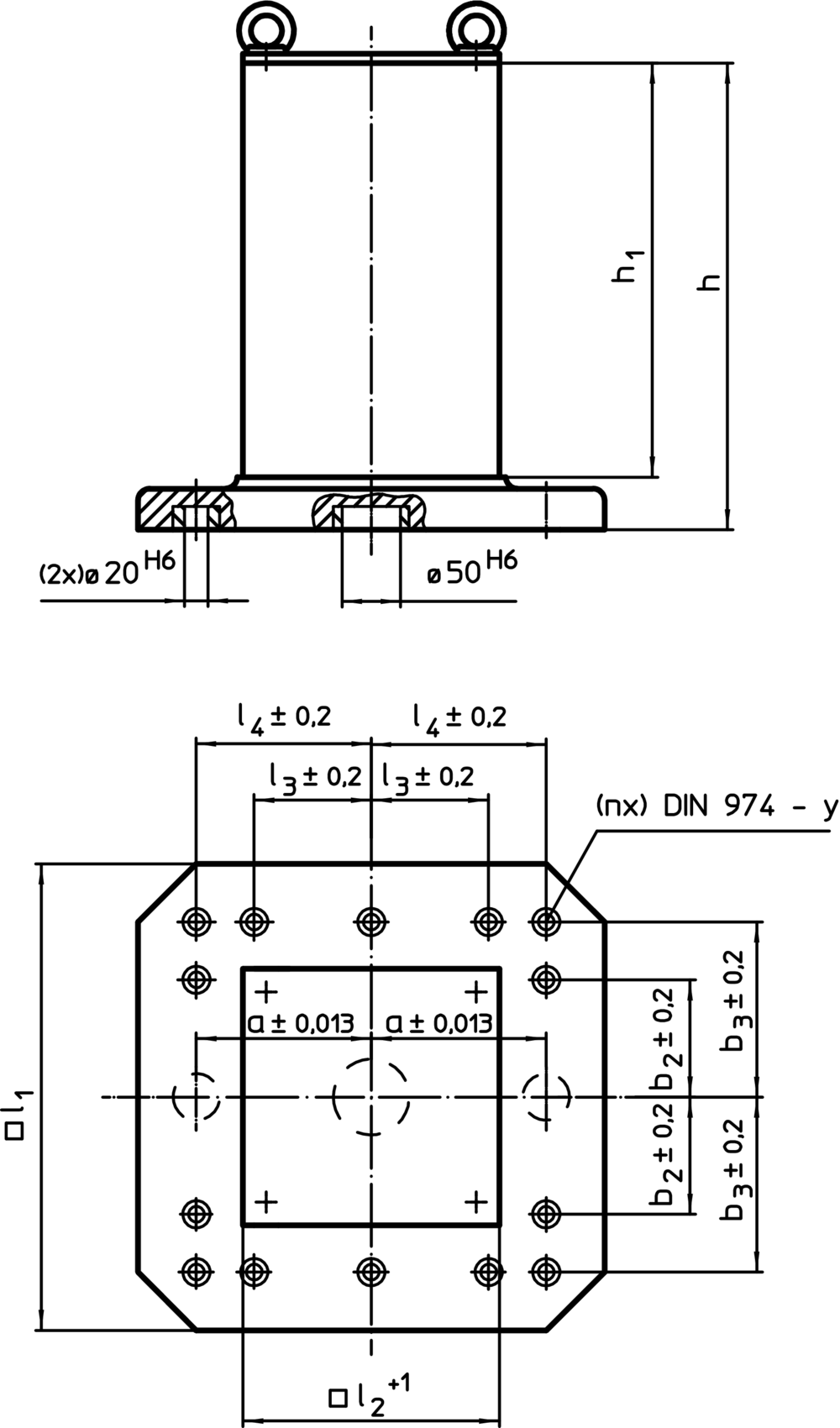
Cub de fixare ‒ semi-finisate | EH 1908.

Material

  • Fontă gri GG

Note

Dimensiuni speciale la cerere.

Pe pagina:  
Afisaj:  
a [±0.013]
b3 [±0.2]
h
h1
l1
l4 [±0.2]
n
y
Numărul găurilor de fixare n
Greutate
b2 [±0.2]
[mm]
[mm]
[mm]
[mm]
[mm]
[mm]
[mm]
[mm]
[kg]
[mm]

Cod produs

 
a [±0.013] [mm] :
200 mm
b3 [±0.2] [mm] :
300 mm
h [mm] :
700 mm
h1 [mm] :
640 mm
l1 [mm] :
630 mm
l4 [±0.2] [mm] :
300 mm
n [mm] :
8 mm
y [mm] :
16 mm
Numărul găurilor de fixare n :
8
Greutate [kg] :
508 kg
b2 [±0.2] [mm] :
200 mm
buc.
a [±0.013] [mm] :
200 mm
b3 [±0.2] [mm] :
200 mm
h [mm] :
565 mm
h1 [mm] :
510 mm
l1 [mm] :
500 mm
l4 [±0.2] [mm] :
200 mm
n [mm] :
6 mm
y [mm] :
12 mm
Numărul găurilor de fixare n :
6
Greutate [kg] :
209 kg
b2 [±0.2] [mm] :
-
buc.
a [±0.013] [mm] :
150 mm
b3 [±0.2] [mm] :
150 mm
h [mm] :
408 mm
h1 [mm] :
358 mm
l1 [mm] :
400 mm
l4 [±0.2] [mm] :
150 mm
n [mm] :
4 mm
y [mm] :
12 mm
Numărul găurilor de fixare n :
4
Greutate [kg] :
100 kg
b2 [±0.2] [mm] :
-
buc.