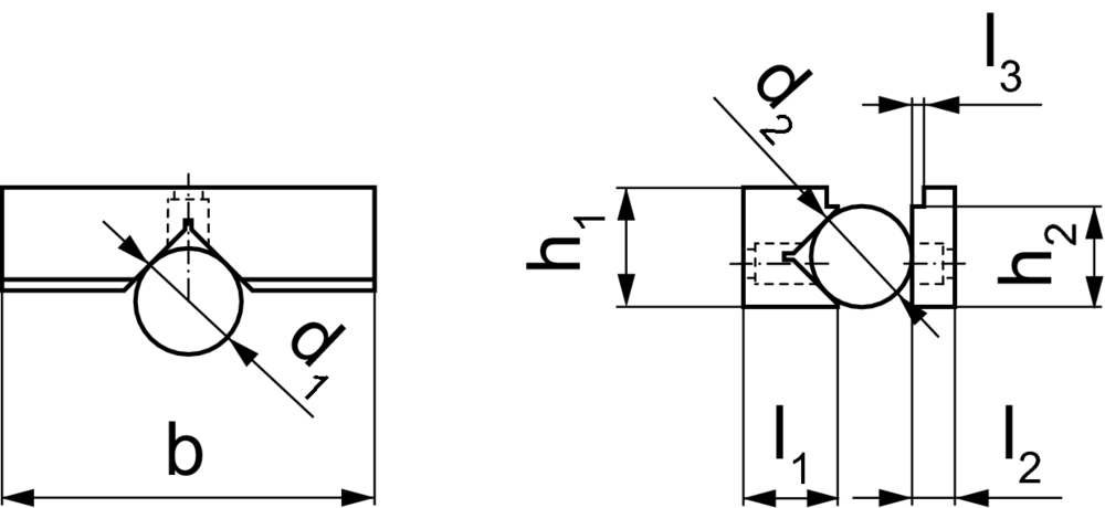
b
d1
d2
h1
h2
l1
l2
l3
Lățime bac
Greutate
[mm]
[mm]
[mm]
[mm]
[mm]
[mm]
[mm]
[mm]
[mm]
[g]
Cod produs
b
[mm]
:
125 mm
d1
[mm]
:
18 mm
d2
[mm]
:
12 mm
h1
[mm]
:
40 mm
h2
[mm]
:
35 mm
l1
[mm]
:
35 mm
l2
[mm]
:
15 mm
l3
[mm]
:
3 mm
Lățime bac
[mm]
:
125 mm
Greutate
[g]
:
1700 g
1701.270