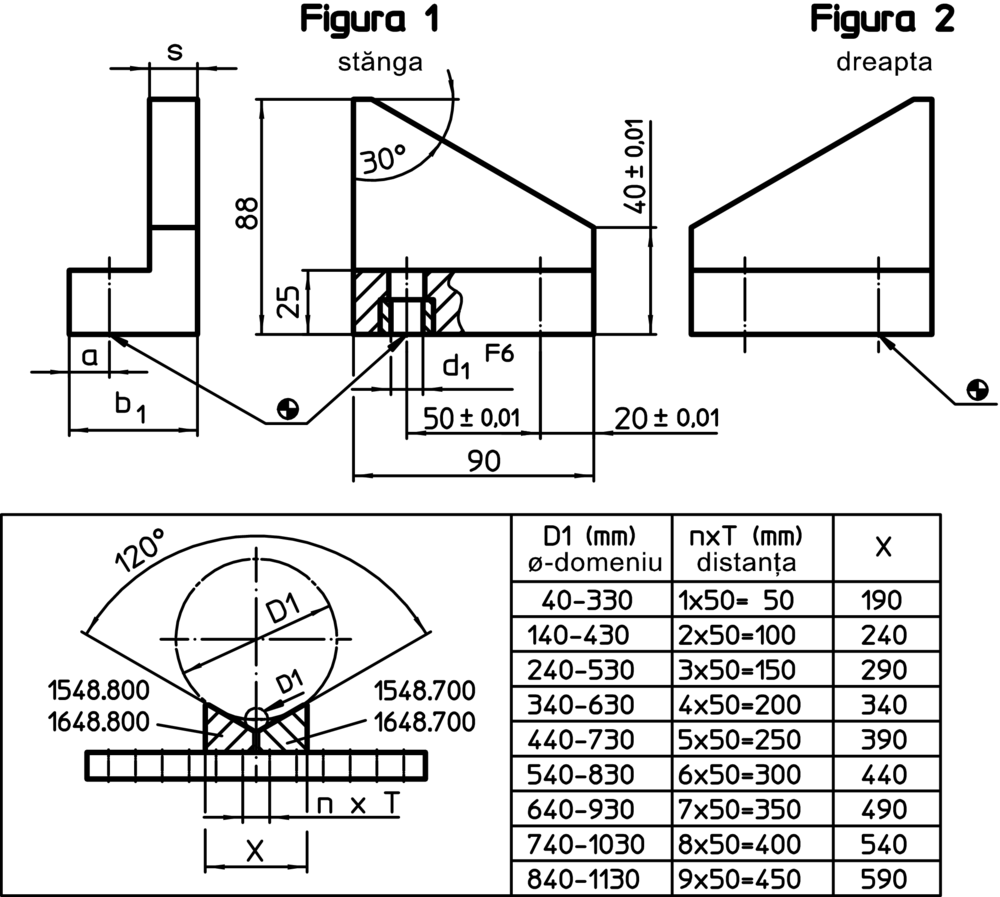
Elemente tip bloc V dreapta/stânga | EH 1548.700 - EH 1648.800

Material

  • Oţel, călit, şlefuit
Pe pagina:  
Afisaj:  
b1
d1
s
Greutate
[mm]
[mm]
[mm]
[g]

Cod produs

 
b1 [mm] :
53 mm
d1 [mm] :
16 mm
s [mm] :
20 mm
Greutate [g] :
1431 g
buc.
b1 [mm] :
53 mm
d1 [mm] :
16 mm
s [mm] :
20 mm
Greutate [g] :
1437 g
buc.
b1 [mm] :
48 mm
d1 [mm] :
12 mm
s [mm] :
18 mm
Greutate [g] :
1308 g
buc.
b1 [mm] :
48 mm
d1 [mm] :
12 mm
s [mm] :
18 mm
Greutate [g] :
1296 g
buc.