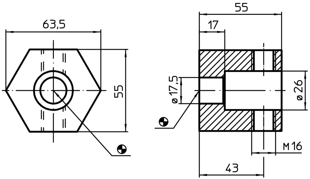
Limitatoare | EH 1614.500

Pentru sistemul de găuri L-12 se utilizează contra lagărul EH 1114.500.

Material

  • Oțel, brunat
Pe pagina:  
Afisaj:  
Greutate
[g]

Cod produs

 
Greutate [g] :
887 g
buc.