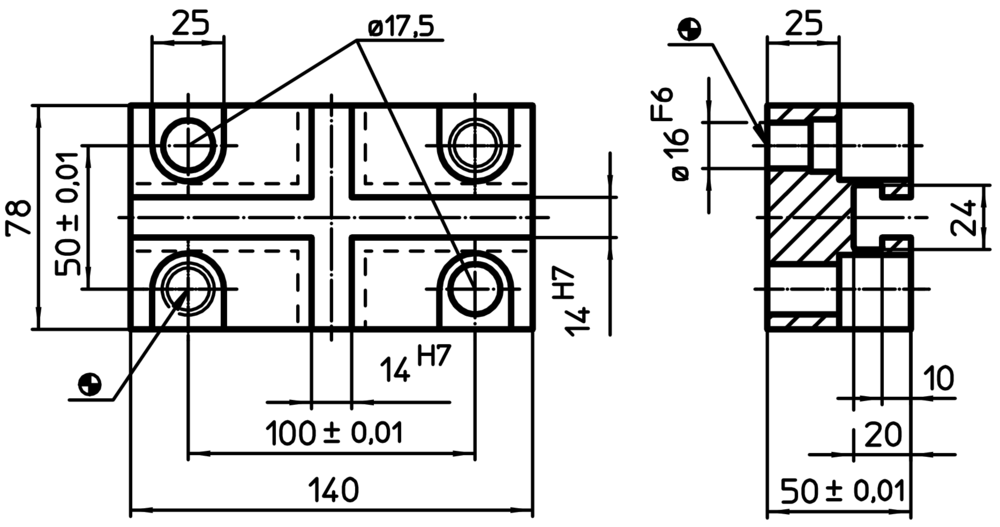
Plăci adaptoare | EH 1681.000

Material

  • Oţel, călit, şlefuit
Pe pagina:  
Afisaj:  
Greutate
[g]

Cod produs

 
Greutate [g] :
3095 g
buc.