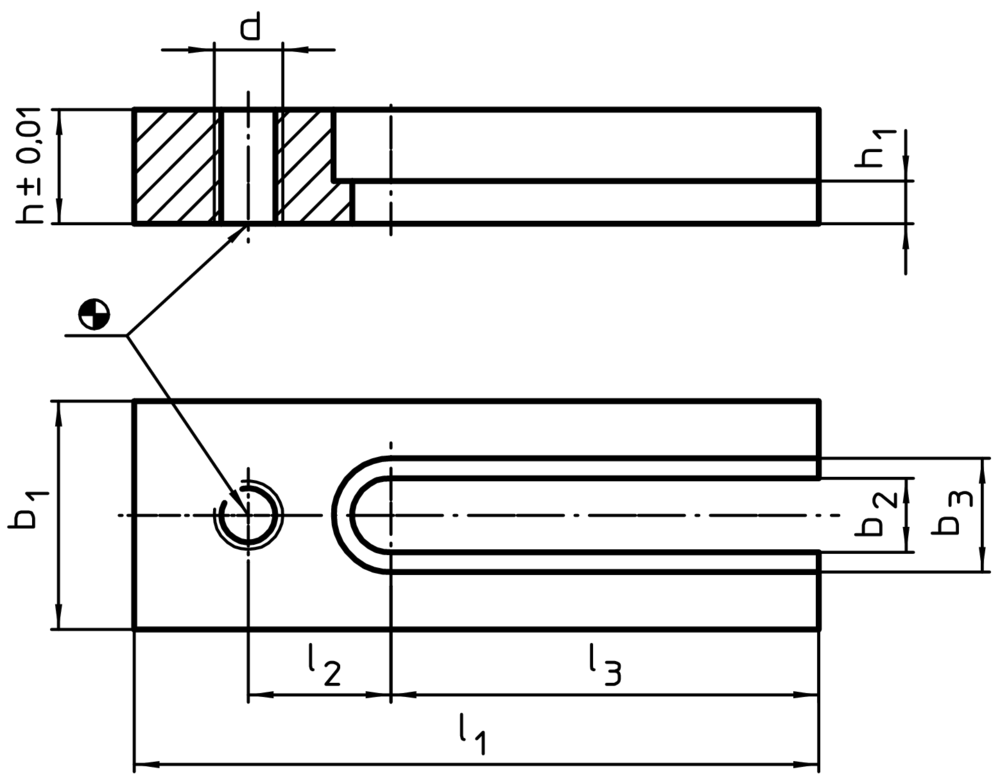
b1
b2
b3
d
h
h1
l1
l2
l3
Greutate
[mm]
[mm]
[mm]
[mm]
[mm]
[mm]
[mm]
[mm]
[g]
Cod produs
b1
[mm]
:
60 mm
b2
[mm]
:
17 mm
b3
[mm]
:
26 mm
d
:
M16
h
[mm]
:
30 mm
h1
[mm]
:
13 mm
l1
[mm]
:
140 mm
l2
[mm]
:
30 mm
l3
[mm]
:
80 mm
Greutate
[g]
:
1435 g
1650.000
b1
[mm]
:
40 mm
b2
[mm]
:
13 mm
b3
[mm]
:
20 mm
d
:
M12
h
[mm]
:
20 mm
h1
[mm]
:
7,5 mm
l1
[mm]
:
120 mm
l2
[mm]
:
25 mm
l3
[mm]
:
75 mm
Greutate
[g]
:
492 g
1550.000