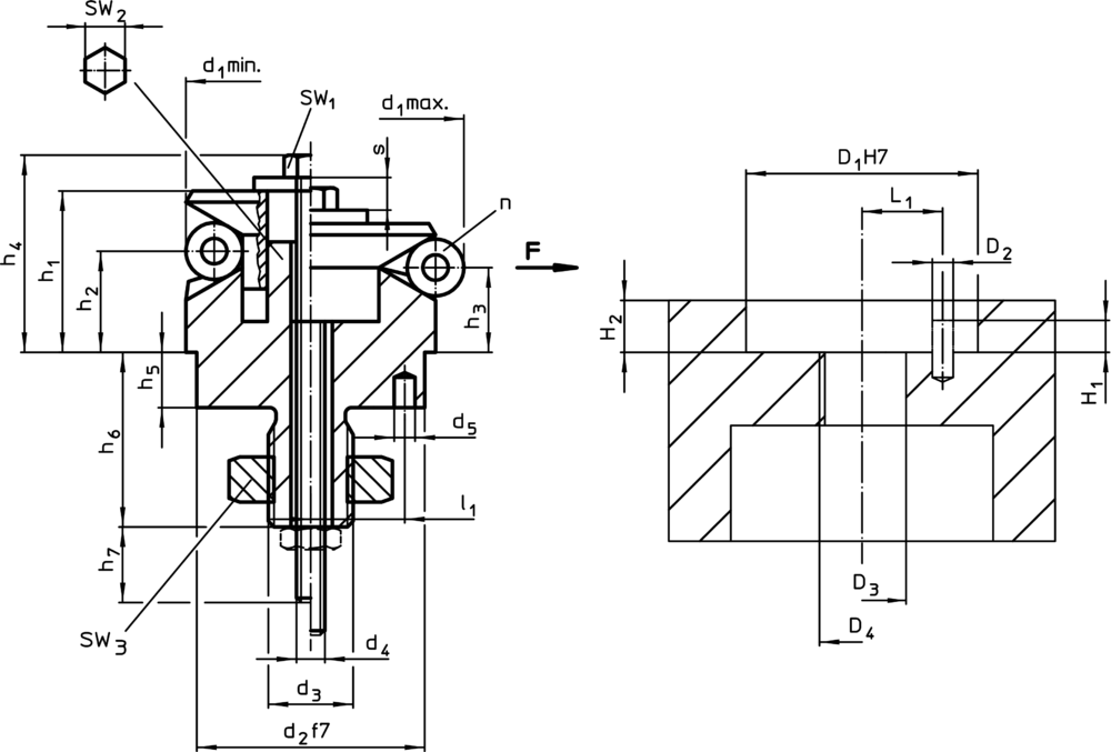
Elemente de fixare cu centrare ‒ cu bile de prindere, acţionare de jos | EH 23340.

Se utilizează pentru centrarea și strângerea precisă în găurile de trecere ale pieselor cu găuri de poziționare. Autocentrare exactă cu o precizie de ± 0,025 mm. Bilele de prindere centralizează și fixează piesele de prelucrat cu suprafețe brute sau prelucrate. Cursa mare de ajustare și o înălțime mică sunt o caracteristică a acestui element central de fixare.

Posibilități de montaj atât de sus cât și de jos.

Material

Corp

  • Oțel pentru scule, călit, brunat

Arc

  • oțel inoxidabil

Bilă prindere

  • Oţel inoxidabil 1.4112, călit şi grunduit

Asamblare

Instrucțiuni pentru montajul de sus: Scoateți placa de fixare și înșurubați. Montaj rapid cu ajutorul știftului filetat SW2.

Operaţii

Utilizare de jos manuală sau automată cu acţionare pneumatică sau hidraulică.

Pe pagina:  
Afisaj:  
d1 max.
d1 min.
d2 [f7]
d3
d4
d5 [+0.3]
h1
h2
h3
h4 [-2]
h5
h6 [+1]
h7
l1 [±0.1]
Număr bile n
Moment străngere
L1 [±0.1]
H1
H2 [+0.5]
D1 [H7]
D2
D3
Cursă
SW1
SW2
SW3
Forta
D4 (metr.)
Greutate
[mm]
[mm]
[mm]
[mm]
[mm]
[mm]
[mm]
[mm]
[mm]
[mm]
[mm]
[mm]
[Nm]
[mm]
[mm]
[mm]
[mm]
[mm]
[mm]
[mm]
[mm]
[mm]
[mm]
[kN]
[g]

Cod produs

 
d1 max. [mm] :
86,5 mm
d1 min. [mm] :
70,5 mm
d2 [f7] [mm] :
60 mm
d3 :
M16 x 1,5
d4 :
M8
d5 [+0.3] [mm] :
5 mm
h1 [mm] :
46,1 mm
h2 [mm] :
28,3 mm
h3 [mm] :
23,7 mm
h4 [-2] [mm] :
55,4 mm
h5 [mm] :
10 mm
h6 [+1] [mm] :
29,4 mm
h7 [mm] :
~ 20 mm
l1 [±0.1] [mm] :
17 mm
Număr bile n :
6
Moment străngere [Nm] :
43 Nm
L1 [±0.1] [mm] :
17 mm
H1 [mm] :
6,5 mm
H2 [+0.5] [mm] :
10 mm
D1 [H7] [mm] :
60 mm
D2 [mm] :
5 mm
D3 [mm] :
16 mm
Cursă [mm] :
9,2 mm
SW1 [mm] :
13 mm
SW2 [mm] :
12 mm
SW3 [mm] :
24 mm
Forta [kN] :
10 kN
D4 (metr.) :
M16 x 1,5
Greutate [g] :
1332 g
buc.
d1 max. [mm] :
102,5 mm
d1 min. [mm] :
86,5 mm
d2 [f7] [mm] :
60 mm
d3 :
M16 x 1,5
d4 :
M10
d5 [+0.3] [mm] :
5 mm
h1 [mm] :
51,2 mm
h2 [mm] :
30,3 mm
h3 [mm] :
25,7 mm
h4 [-2] [mm] :
61,6 mm
h5 [mm] :
10 mm
h6 [+1] [mm] :
29,4 mm
h7 [mm] :
~ 25 mm
l1 [±0.1] [mm] :
25 mm
Număr bile n :
6
Moment străngere [Nm] :
79 Nm
L1 [±0.1] [mm] :
25 mm
H1 [mm] :
6,5 mm
H2 [+0.5] [mm] :
10 mm
D1 [H7] [mm] :
60 mm
D2 [mm] :
5 mm
D3 [mm] :
16 mm
Cursă [mm] :
9,2 mm
SW1 [mm] :
16 mm
SW2 [mm] :
12 mm
SW3 [mm] :
24 mm
Forta [kN] :
12,5 kN
D4 (metr.) :
M16 x 1,5
Greutate [g] :
44 g
buc.
d1 max. [mm] :
70,5 mm
d1 min. [mm] :
54,5 mm
d2 [f7] [mm] :
45 mm
d3 :
M14 x 1,5
d4 :
M8
d5 [+0.3] [mm] :
5 mm
h1 [mm] :
40,6 mm
h2 [mm] :
23,7 mm
h3 [mm] :
19,1 mm
h4 [-2] [mm] :
49,9 mm
h5 [mm] :
9 mm
h6 [+1] [mm] :
24,5 mm
h7 [mm] :
~ 32 mm
l1 [±0.1] [mm] :
15 mm
Număr bile n :
6
Moment străngere [Nm] :
43 Nm
L1 [±0.1] [mm] :
15 mm
H1 [mm] :
6,5 mm
H2 [+0.5] [mm] :
9 mm
D1 [H7] [mm] :
45 mm
D2 [mm] :
5 mm
D3 [mm] :
14 mm
Cursă [mm] :
9,2 mm
SW1 [mm] :
13 mm
SW2 [mm] :
10 mm
SW3 [mm] :
21 mm
Forta [kN] :
8 kN
D4 (metr.) :
M14 x 1,5
Greutate [g] :
702 g
buc.
d1 max. [mm] :
54,5 mm
d1 min. [mm] :
46,5 mm
d2 [f7] [mm] :
30 mm
d3 :
M12
d4 :
M6
d5 [+0.3] [mm] :
4 mm
h1 [mm] :
27,2 mm
h2 [mm] :
18 mm
h3 [mm] :
15,7 mm
h4 [-2] [mm] :
33,1 mm
h5 [mm] :
7,5 mm
h6 [+1] [mm] :
22,5 mm
h7 [mm] :
~ 20 mm
l1 [±0.1] [mm] :
11 mm
Număr bile n :
6
Moment străngere [Nm] :
17 Nm
L1 [±0.1] [mm] :
11 mm
H1 [mm] :
6,5 mm
H2 [+0.5] [mm] :
7,5 mm
D1 [H7] [mm] :
30 mm
D2 [mm] :
4 mm
D3 [mm] :
12 mm
Cursă [mm] :
4,6 mm
SW1 [mm] :
10 mm
SW2 [mm] :
8 mm
SW3 [mm] :
18 mm
Forta [kN] :
6,5 kN
D4 (metr.) :
M12
Greutate [g] :
355 g
buc.
d1 max. [mm] :
46,5 mm
d1 min. [mm] :
38,5 mm
d2 [f7] [mm] :
30 mm
d3 :
M12
d4 :
M6
d5 [+0.3] [mm] :
4 mm
h1 [mm] :
27,1 mm
h2 [mm] :
18 mm
h3 [mm] :
15,5 mm
h4 [-2] [mm] :
33 mm
h5 [mm] :
7,5 mm
h6 [+1] [mm] :
22,5 mm
h7 [mm] :
~ 20 mm
l1 [±0.1] [mm] :
11 mm
Număr bile n :
6
Moment străngere [Nm] :
17 Nm
L1 [±0.1] [mm] :
11 mm
H1 [mm] :
4,5 mm
H2 [+0.5] [mm] :
7,5 mm
D1 [H7] [mm] :
30 mm
D2 [mm] :
4 mm
D3 [mm] :
12 mm
Cursă [mm] :
4,6 mm
SW1 [mm] :
10 mm
SW2 [mm] :
8 mm
SW3 [mm] :
18 mm
Forta [kN] :
6,5 kN
D4 (metr.) :
M12
Greutate [g] :
268 g
buc.
d1 max. [mm] :
38,5 mm
d1 min. [mm] :
30,5 mm
d2 [f7] [mm] :
25 mm
d3 :
M12
d4 :
M6
d5 [+0.3] [mm] :
4 mm
h1 [mm] :
23,2 mm
h2 [mm] :
14,1 mm
h3 [mm] :
11,8 mm
h4 [-2] [mm] :
28,8 mm
h5 [mm] :
7 mm
h6 [+1] [mm] :
21,9 mm
h7 [mm] :
~ 20 mm
l1 [±0.1] [mm] :
9 mm
Număr bile n :
3
Moment străngere [Nm] :
17 Nm
L1 [±0.1] [mm] :
9 mm
H1 [mm] :
3,5 mm
H2 [+0.5] [mm] :
7 mm
D1 [H7] [mm] :
25 mm
D2 [mm] :
4 mm
D3 [mm] :
12 mm
Cursă [mm] :
4,6 mm
SW1 [mm] :
10 mm
SW2 [mm] :
6 mm
SW3 [mm] :
18 mm
Forta [kN] :
4,5 kN
D4 (metr.) :
M12
Greutate [g] :
155 g
buc.
d1 max. [mm] :
30,5 mm
d1 min. [mm] :
26,5 mm
d2 [f7] [mm] :
20 mm
d3 :
M10
d4 :
M5
d5 [+0.3] [mm] :
3 mm
h1 [mm] :
19,8 mm
h2 [mm] :
14,1 mm
h3 [mm] :
13 mm
h4 [-2] [mm] :
24,5 mm
h5 [mm] :
6 mm
h6 [+1] [mm] :
17,4 mm
h7 [mm] :
~ 15 mm
l1 [±0.1] [mm] :
7 mm
Număr bile n :
3
Moment străngere [Nm] :
10 Nm
L1 [±0.1] [mm] :
7 mm
H1 [mm] :
3,5 mm
H2 [+0.5] [mm] :
6 mm
D1 [H7] [mm] :
20 mm
D2 [mm] :
3 mm
D3 [mm] :
10 mm
Cursă [mm] :
2,3 mm
SW1 [mm] :
8 mm
SW2 [mm] :
6 mm
SW3 [mm] :
16 mm
Forta [kN] :
4,5 kN
D4 (metr.) :
M10
Greutate [g] :
103 g
buc.
d1 max. [mm] :
26,5 mm
d1 min. [mm] :
22,5 mm
d2 [f7] [mm] :
20 mm
d3 :
M10
d4 :
M5
d5 [+0.3] [mm] :
3 mm
h1 [mm] :
19,6 mm
h2 [mm] :
14,1 mm
h3 [mm] :
12,9 mm
h4 [-2] [mm] :
24,3 mm
h5 [mm] :
6 mm
h6 [+1] [mm] :
17,4 mm
h7 [mm] :
~ 15 mm
l1 [±0.1] [mm] :
7 mm
Număr bile n :
3
Moment străngere [Nm] :
10 Nm
L1 [±0.1] [mm] :
7 mm
H1 [mm] :
3,5 mm
H2 [+0.5] [mm] :
6 mm
D1 [H7] [mm] :
20 mm
D2 [mm] :
3 mm
D3 [mm] :
10 mm
Cursă [mm] :
2,3 mm
SW1 [mm] :
8 mm
SW2 [mm] :
6 mm
SW3 [mm] :
16 mm
Forta [kN] :
4,5 kN
D4 (metr.) :
M10
Greutate [g] :
77 g
buc.
d1 max. [mm] :
22,5 mm
d1 min. [mm] :
18,5 mm
d2 [f7] [mm] :
15 mm
d3 :
M8
d4 :
M4
d5 [+0.3] [mm] :
2,5 mm
h1 [mm] :
16,5 mm
h2 [mm] :
11,6 mm
h3 [mm] :
10,4 mm
h4 [-2] [mm] :
20,4 mm
h5 [mm] :
7,5 mm
h6 [+1] [mm] :
18,2 mm
h7 [mm] :
~ 14 mm
l1 [±0.1] [mm] :
5,5 mm
Număr bile n :
3
Moment străngere [Nm] :
5 Nm
L1 [±0.1] [mm] :
5,5 mm
H1 [mm] :
3,5 mm
H2 [+0.5] [mm] :
7,5 mm
D1 [H7] [mm] :
15 mm
D2 [mm] :
2,5 mm
D3 [mm] :
8 mm
Cursă [mm] :
2,3 mm
SW1 [mm] :
7 mm
SW2 [mm] :
5 mm
SW3 [mm] :
13 mm
Forta [kN] :
4 kN
D4 (metr.) :
M8
Greutate [g] :
52 g
buc.
d1 max. [mm] :
18,5 mm
d1 min. [mm] :
14,5 mm
d2 [f7] [mm] :
12 mm
d3 :
M6
d4 :
M3
d5 [+0.3] [mm] :
2 mm
h1 [mm] :
14,2 mm
h2 [mm] :
9,8 mm
h3 [mm] :
8,6 mm
h4 [-2] [mm] :
17 mm
h5 [mm] :
5,5 mm
h6 [+1] [mm] :
14,1 mm
h7 [mm] :
~ 12 mm
l1 [±0.1] [mm] :
4,5 mm
Număr bile n :
3
Moment străngere [Nm] :
2 Nm
L1 [±0.1] [mm] :
4,5 mm
H1 [mm] :
2,5 mm
H2 [+0.5] [mm] :
5,5 mm
D1 [H7] [mm] :
12 mm
D2 [mm] :
2 mm
D3 [mm] :
6 mm
Cursă [mm] :
2,3 mm
SW1 [mm] :
5,5 mm
SW2 [mm] :
3 mm
SW3 [mm] :
10 mm
Forta [kN] :
3,5 kN
D4 (metr.) :
M6
Greutate [g] :
21 g
buc.
d1 max. [mm] :
14,2 mm
d1 min. [mm] :
11,7 mm
d2 [f7] [mm] :
10 mm
d3 :
M5
d4 :
M3
d5 [+0.3] [mm] :
1,5 mm
h1 [mm] :
9,9 mm
h2 [mm] :
3,9 mm
h3 [mm] :
3,2 mm
h4 [-2] [mm] :
12,7 mm
h5 [mm] :
3,5 mm
h6 [+1] [mm] :
11 mm
h7 [mm] :
~ 10 mm
l1 [±0.1] [mm] :
3,5 mm
Număr bile n :
3
Moment străngere [Nm] :
2 Nm
L1 [±0.1] [mm] :
3,5 mm
H1 [mm] :
2 mm
H2 [+0.5] [mm] :
3,5 mm
D1 [H7] [mm] :
10 mm
D2 [mm] :
1,5 mm
D3 [mm] :
5 mm
Cursă [mm] :
1,3 mm
SW1 [mm] :
5,5 mm
SW2 [mm] :
4 mm
SW3 [mm] :
8 mm
Forta [kN] :
0,5 kN
D4 (metr.) :
M5
Greutate [g] :
12 g
buc.